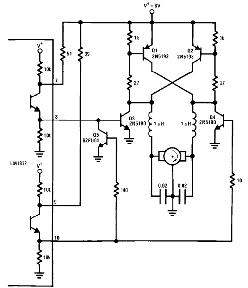
El siguiente circuito (ver Figura
16)
puede servir como para remplazar algunas funciones de
los costosos servos comerciales como la de hacer que
un auto vaya para adelante, se detenga y vaya en reversa.
Tiene una capacidad de 100mA con 4 transistores y el
5to (Q5) es una proteccion. Suponiendo que se envia
erroneamente alimentacion a ambas ramas del puente (puede
ocurrir si aparece algun ruido debido a que el auto
se alejo demasiado del transmisor) el transistor Q5
desabilita la rama derecha mientras que esta activada
la izquierda.

Figura 16
Uno
de los principales problemas que tiene este tipo de
circuito es que el ruido de las escobillas del motor
provoca errores de todo tipo. Para atenuar este tipo
de ruidos en cualquier caso se pueden utilizar las redes
de capacitores y resistencias de mas abajo:

Figura 17
Esto
fue como armar el circuito del RECEPTOR,
también puede leer la nota donde explicaremos
como armar el transmisor y algunas
fotografias al respecto.
No olvides leer las preguntas frecuentes
(FAQ) sobre este proyecto.
Alejandro
Weber
pollux@lugmen.org.ar
|